NSK 6912ZZ Deep groove ball bearings
Also known as : 6912ZZ, 61912-2Z
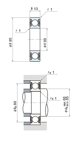
- Inside Diameter: 60 mm
- Outside Diameter: 85 mm
- Width: 13 mm
- Basic dynamic load rating: 19.4 kN
- Basic static load rating: 16.3 kN

NSK 6912ZZ
NSK 6912ZZ details
| model | 6912ZZ |
|---|---|
| d | 60 mm |
| D | 85 mm |
| B | 13 mm |
| rmin. | 1.0 mm |
| Cr |
19400 N 1980 kgf |
| C0r |
16300 N 1660 kgf |
| Limiting speeds | 7500 min-1 (Grease) |
| f0 | 16.2 (Factor) |
| da min | 65 mm |
| da max | 66 mm |
| Da | 80 mm |
| ra | 1 mm |
| Mass | 0.192 kg (approx.) |
NSK 6912ZZ bearing cross reference

302K
60 mmx 85 mmx 13 mm

301K
60 mmx 85 mmx 13 mm

62207-2RS-C3
60 mmx 85 mmx 13 mm

62306-2RS-C3
60 mmx 85 mmx 13 mm

63005-2RS-C3
60 mmx 85 mmx 13 mm

62205-2RS-C3
60 mmx 85 mmx 13 mm

62304-2RS-C3
60 mmx 85 mmx 13 mm

62204-2RS-C3
60 mmx 85 mmx 13 mm

63003-2RS-C3
60 mmx 85 mmx 13 mm

62303-2RS-C3
60 mmx 85 mmx 13 mm

63002-2RS-C3
60 mmx 85 mmx 13 mm



